Peças


Yamaha
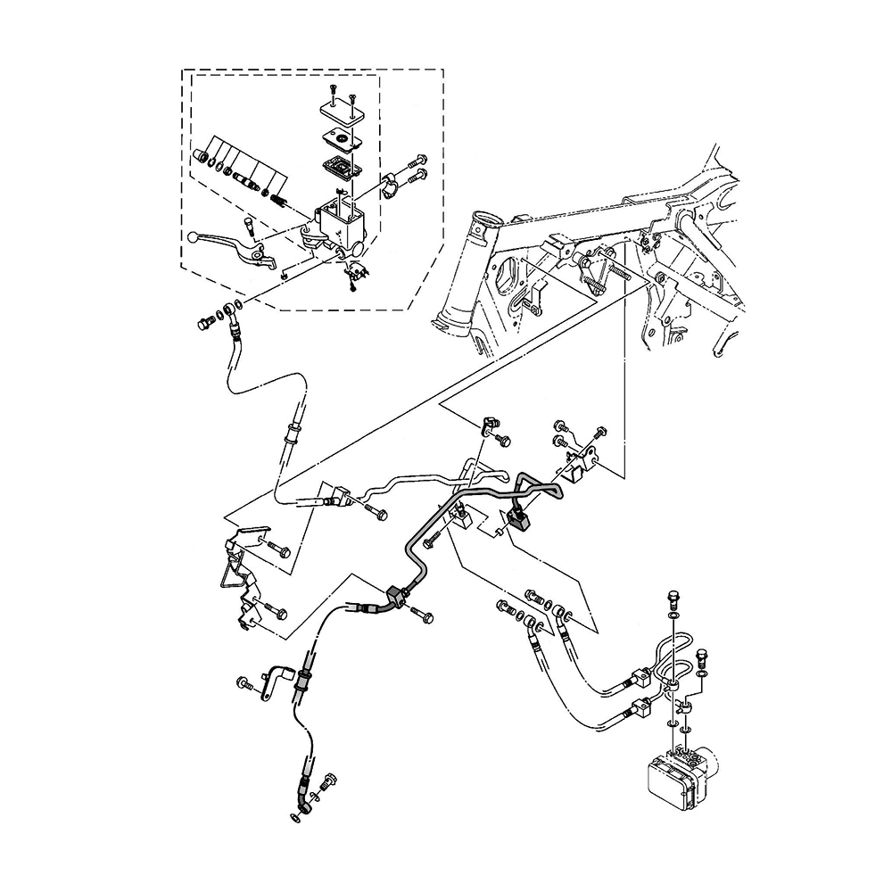
Estribo dianteiro direito - FAZER 250 - FAZER FZ15 - FAZER FZ25 - MT-03
R$ 105,32à vista

Produtos
TODOS OS MODELOS

















Peças
Concessionárias
Serviços

Oferece todo o cuidado necessário para a sua motocicleta

Cuidado especializado Yamaha

Consulte seu chassi
Yamalube

O LUBRIFICANTE IDEAL PARA TODAS AS MOTOS

A LINHA COMPLETA DE MANUTENÇÃO E CUIDADOS PARA TODAS AS MOTOS
Ofertas


| Modelos Aplicáveis | Ano |
|---|---|
| FAZER FZ25 | 2018 | 2019 | 2020 | 2021 |
| Código de Referência | BC5F581J0000 |
| Categoria | Chassi |
Você também pode gostar...

OS MELHORES PRODUTOS PARA CUIDAR DA SUA YAMAHA