Peças


Yamaha
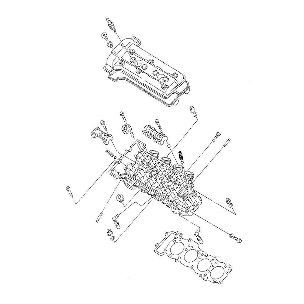
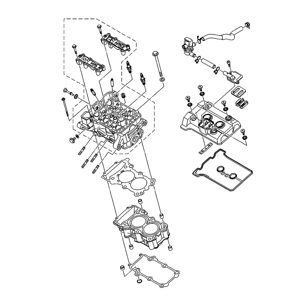
Guia da válvula de admissão - CROSSER 150 - FACTOR 125 - FACTOR 150 - FAZER FZ15
R$ 331,54à vista

Produtos
TODOS OS MODELOS

















Peças
Concessionárias
Serviços

Oferece todo o cuidado necessário para a sua motocicleta

Cuidado especializado Yamaha

Consulte seu chassi
Yamalube

O LUBRIFICANTE IDEAL PARA TODAS AS MOTOS

A LINHA COMPLETA DE MANUTENÇÃO E CUIDADOS PARA TODAS AS MOTOS
Ofertas


| Modelos Aplicáveis | Ano |
|---|---|
| R1 | 1998 | 1999 | 2000 | 2001 | 2002 | 2003 |
| FZS 1000 | 2003 |
| Código de Referência | 3TJ111331000 |
| Categoria | Motor |
Você também pode gostar...

OS MELHORES PRODUTOS PARA CUIDAR DA SUA YAMAHA